kihua logo sinfonia logo
  | | |  
 
 
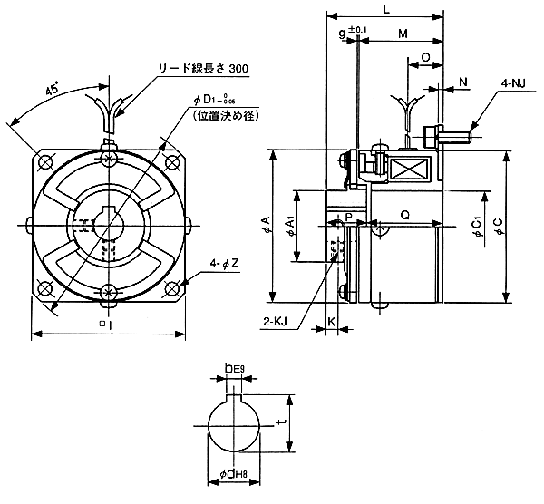
shinko_sinfonia_神钢电机制动器<BB-4>

 

形 式

BB-4
静摩擦トルク  Nm
0.5

定格電圧     DC-V

24
消費電力      W(at75℃)
4.6

質量              kg

0.15


A 36.5
A1 16
C 38
C1 13.5
D1 50
I 38


L 31
M 22
N 1.6
O 7.6
P 10
Q 21
g 0.2
Z 3.2

K 3
KJ M3×3
NJ P.C.D 44
ボルト M3×6

d 6
b 2
t 6.9


DMP-10/24





FMP-10DA
EMP-20DB
CSM-55DB
CMPH-100/4HA

 

关闭窗口

 
上海起华机械有限公司 Shanghai KIHUA Machinery Co., Ltd.@版权所有
|
首页 |品牌列表 |关于我们 |联系我们 |