kihua logo sinfonia logo
  | | |  
 
 
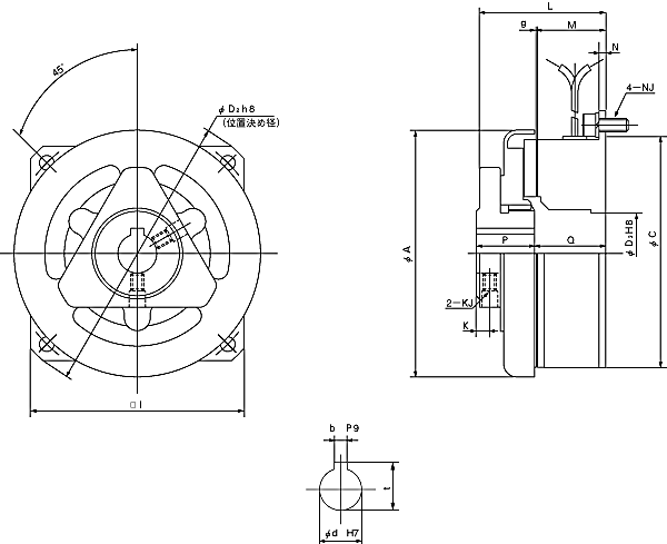
shinko_sinfonia_神钢电机制动器JB-1.2

 

形式

JB-1.2
静摩擦トルク Nm
12
定格電圧     DC-V
24
消費電力   W(at75℃)
11
質量            kg
1.1


单位:mm



A 96
C 90.4
D2 108
D3 33
I 80


L 43
M 21
N 2
P 21
Q 22
g 0.4

K 4.7
KJ M5
NJ P.C.D 99
ボルト M4x10

d 15
b 5
t
17.3 +0.1
0


DMP-20/24A





EMP-20DB
CSM-55DB
CMPH-100/4HA

关闭窗口

 
上海起华机械有限公司 Shanghai KIHUA Machinery Co., Ltd.@版权所有
|
首页 |品牌列表 |关于我们 |联系我们 |