kihua logo sinfonia logo
  | | |  
 
 

电磁离合/shinko_sinfonia_神钢电机制动器<MP-4>

 

形 式

MP-4
shinko_sinfonia_神钢电机离合器
shinko_sinfonia_神钢电机制动器
静摩擦トルク  Nm
0.5

定格電圧     DC-V

24
消費電力      W(at75℃)
4.6

質量              kg

0.6


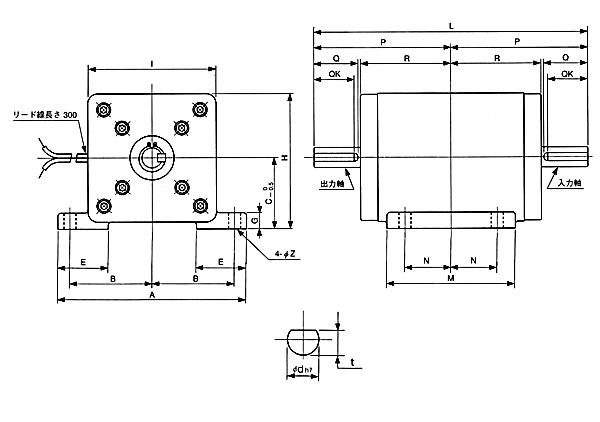
A 72
B 31
C 25
E 20
G 6
H 48.5
I 47


L 100
M 48
N 17
P 50
R 34
Z 5

Q 15.1
QK 14
d 6
t 5


DMP-10/24





FMP-10DA
EMP-20DB
CSM-55DB
CMPH-100/4HA

关闭窗口

 
上海起华机械有限公司 Shanghai KIHUA Machinery Co., Ltd.@版权所有
|
首页 |品牌列表 |关于我们 |联系我们 |