kihua logo sinfonia logo
  | | |  
 
 

电磁离合/shinko_sinfonia_神钢电机制动器<MP-5>

 

形 式

MP-5
shinko_sinfonia_神钢电机离合器
shinko_sinfonia_神钢电机制动器
静摩擦トルク  Nm
2

定格電圧     DC-V

24
消費電力      W(at75??C)
6.4

質量              kg

1.3


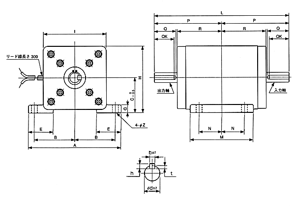
A 94
B 41
C 35.5
E 25
G 8
H 67.5
I 64


L 136
M 64
N 23
P 68
R 45
Z 6

Q 22
QK 20
d 10
b 4
h 4
t 2.5


DMP-10/24





FMP-10DA
EMP-20DB
CSM-55DB
CMPH-100/4HA

 

关闭窗口

 
上海起华机械有限公司 Shanghai KIHUA Machinery Co., Ltd.@版权所有
|
首页 |品牌列表 |关于我们 |联系我们 |