kihua logo sinfonia logo
  | | |  
 
 
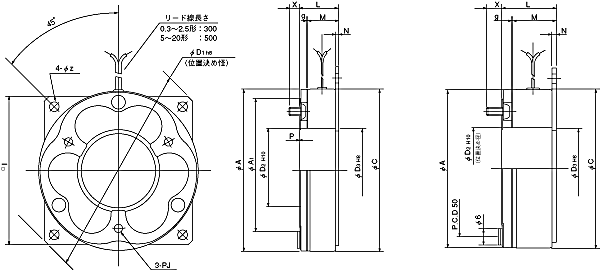
无毂型shinko_sinfonia_神钢电机离合器<NB-2.5-T>

 

形式

NB-2.5-T
静摩擦トルク Nm
25
定格電圧     DC-V
24
消費電力   W(at75℃)
17
質量            kg
1.1


A 110
A1 90
C 110
D1 135
D2 50
D3 52
I 100


L 30
M 21
N 2
P 3
g
0.2 +0.1
0
X 5.5


PJ P.C.D 76
ボルト M5x10
Z P.C.D 122
穴径 6.5


DMP-63/24A






TMP-40D

EMP-20DB

CSM-55DB

CMPH-100/4HA

关闭窗口

 
上海起华机械有限公司 Shanghai KIHUA Machinery Co., Ltd.@版权所有
|
首页 |品牌列表 |关于我们 |联系我们 |